-
重要部位埋设传感器 24小时“体检”新二环
为了确保二环高架桥的安全运行,我市城市桥梁管理部门将为二环路高架桥装上电子监控器,24小时全时段为桥梁体检,一旦发现隐患,将自动报警! 昨日,记者从成都市城市管理局道...[详细]
文 / admin 2019-05-25 热度:509
-
日本锁定瑞士赛四强!中国女排2胜1负,晋级主动权却不在自己手中
北京时间5月16日凌晨,瑞士女排精英赛小组赛继续进行。中国女排在先失一局的情况下连扳三局3比1逆转波兰队,赢得小组赛两连胜,不过能否晋级四强仍然前景不妙。 本场中国女排首...[详细]
文 / admin 2019-05-24 热度:873
-
开启工业4.0智能制造之路 亚太西奥首创“不困人”电梯
当电梯因故障困人时,被困人员在电梯轿箱内,只需长按两个逃生按钮,电梯就会以0.1m/s的速度慢慢运行到最近的楼层自动开门,被困人员可安全离开,从遇险被困到安全脱困全程不超...[详细]
文 / admin 2019-05-24 热度:339
-
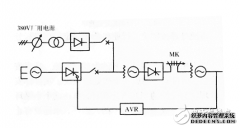
什么是发电机进相运行
进相运行 减少发电机励磁电流,使发电机电势减小,功率因数角就变为超前的,发电机负荷电流产生助磁电枢反应,发电机向系统输送有功功率,但吸收无功功率,这种运行状态称为进...[详细]
文 / admin 2019-05-24 热度:152
-
佛山高新区扛起“互联网+智能制造”试点大旗
23日,中国互联网+智能制造试点城市推进大会在佛山高新区南海园举行。国家科技部火炬中心、中关村管委会、佛山市人民政府三方将共同把佛山打造成中国互联网+智能制造试点城...[详细]
文 / admin 2019-05-24 热度:777
-
湖南省将清除无自动化控制的化工装置
从湖南省省政府最新发布的《全省提升危险化学品领域本质安全水平专项行动方案》获悉,今后湖南省新建、改建、扩建化工生产装置必须装备自动化控制系统,高度危险和大型生产装...[详细]
文 / admin 2019-05-24 热度:156
-
低压变频器在起重机械行业的应用
起重机械按照特点分类:轻小型起重机械、起重葫芦、悬挂羊轨系统、桥架型起重机及桥式起重机、门式起重机、半门式起重机、臂架型起重机、流动式起重机、塔式起重机、门座起重...[详细]
文 / admin 2019-05-24 热度:866
-
微信“Super App”模式风靡印度市场
Truecaller,一款 9 年前推出、用于屏蔽陌生人和推销、诈骗电话的 App,将在印度推出借贷功能,借款金额可达到数百美元。Truecall 日活跃用户为 1.4 亿,其中 1 亿为印度用户。 在过去两...[详细]
文 / admin 2019-05-24 热度:116
-
大众宝马计划展开更多合作 扩大德国自动驾驶联盟
据外媒报道,大众汽车和宝马仍愿意与全球更多汽车制造商和软件供应商合作,共同承担开发自动驾驶汽车的高昂成本,以促进这一新兴技术的规模经济。自动驾驶汽车将在未来移动出...[详细]
文 / admin 2019-05-24 热度:966
-
“中国制造”专利为何难“变现”?
中国制造每年的商标申请量,长期一直保持世界第一,但为何少有享誉全球的知名品牌?美国一项专利交易涉及金额可达数百万美元,为何在中国,每项专利平均交易额仅2万元人民币?...[详细]
文 / admin 2019-05-24 热度:574
