当前位置:主页 > jrs英超直播吧 > 极速体育nba直播吧 > 列表
-
施耐德携手无锡职院 共同培育自动化人才_7
施耐德电气(中国)有限公司15日与无锡职业技术学院签署校企合作协议,计划培养一流的电气及自动化专业人才。同时,校企联合共建的运动控制实训室将于近日投入使用,双方约定在推...[详细]
文 / admin 2019-06-17 热度:676
-
四方电气发布TS2600系列空压机单变频驱动一体机_8
深圳市四方电气技术有限公司2013年推出的又一新款产品,TS2600系列空压机单变频驱动一体机。这一系列驱动系统是为空压机行业定制开发的高性能一体化解决方案,集成了空压机行业应...[详细]
文 / admin 2019-06-17 热度:847
-
金辰股份募资3.68亿元开拓光伏与jrs英超直播吧_jrs直播_极速体育nba直播吧业务 负债高拖欠货款两遭起诉
2017年10月18日,营口金辰机械股份有限公司(以下称“金辰股份”,股票代码603396)在上交所挂牌上市。金辰股份本次发行数量为1,889万股,保荐机构为中泰证券。金辰股份上市募集资金...[详细]
文 / admin 2019-06-17 热度:464
-
我国智能工业将成为工业发展新方向_6
近日,赛迪智库信息化研究中心发布《2013年我国两化融合发展形势展望》研究报告,称2013年我国智能制造、在线服务正成为制造业发展热点,智能工业将成为工业发展新方向。 报告指...[详细]
文 / admin 2019-06-16 热度:660
-
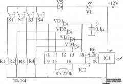
4路无线遥控开关电路制作_0
本例介绍一款4路无线遥控开关,它采用无线遥控发射/接收和无线遥控专用编码/解码集成电路制作,可同时控制4种不同电器或控制同一种电器的不同工作状态。 该无线遥控开关电路...[详细]
文 / admin 2019-06-16 热度:789
-
我国jrs英超直播吧_jrs直播_极速体育nba直播吧产业链及行业竞争情况分析_9
jrs英超直播吧_jrs直播_极速体育nba直播吧分类及产业链分析 中国的jrs英超直播吧_jrs直播_极速体育nba直播吧专家从应用环境出发,将jrs英超直播吧_jrs直播_极速体育nba直播吧分为两大类,即工业jrs英超直播吧_jrs直播_极速体育nba直播吧和特种jrs英超直播吧_jrs直播_极速体育nba直播吧。所谓工业jrs英超直播吧_jrs直播_极速体育nba直播吧就是面向工业领域的多关节机械手或多自由度jrs英超直播吧_jrs直播_极速体育nba直播吧。...[详细]
文 / admin 2019-06-16 热度:959
-
2015年工业自动化市场或将超3500亿_0
截止目前,中国拥有世界最大的工业自动控制系统装置市场,传统工业技术改造、工厂自动化、企业信息化需要大量的工业自动化系统,市场前景广阔。工业控制自动化技术正在向智能...[详细]
文 / admin 2019-06-16 热度:644
-
走进兰州“五零四” 揭起核工业的神秘面纱_10
央广网兰州8月10日消息一说到五零四,许多兰州人既感觉亲切,又感到敬畏。亲切是因为那支曾经风靡一时的五零四大雪糕;敬畏则是因为五零四是一家坐落在兰州市郊的特殊企业,它...[详细]
文 / admin 2019-06-16 热度:637
-
建筑自动化市场竞争激烈 集成商求异化谋生存_7
据IHS报告新发现,随着建筑自动化市场的竞争越来越激烈,系统集成商也越来越重视产品选择和传统系统增值,以提高客户满意度。 如下图所示,2012年全球建筑自动化系统安装和售后...[详细]
文 / admin 2019-06-15 热度:487
-
工业4.0时代,需要怎样的网络综合布线?_5
在中国制造2025以及工业4.0战略提出以后,信息化与工业化的融合进一步加速,依托互联网、物联网与大数据实现集成与互联为基础,进行实时数据的收集、传输、处理和反馈是这一阶段...[详细]
文 / admin 2019-06-15 热度:513