高压变频器在热电厂风机节能中的实践与应用
1、引言
随着现代化企业的不断进步和发展,效益最大化是企业永恒的主题。利用高新技术来提高企业生产装置的管理水平和节能降耗已是各企业首选的手段之一。高压变频节能技术随着国内一些生产厂家研制水平的不断提高已接近甚至超过世界同行的先进水平,并以产品性能稳定、价格适宜、售后服务及时等优势深受国内企业广泛接受和应用。
泰达热电公司五号热源厂为三台75T/H的硫化床锅炉,采用单引风、一次送风、二次送风的形式。风机型号分别为 JLY7515N025D左45、JLG7512N016D右90、JLG7522AN014D右90 配置功率分别为560KW、315KW、250KW 电压为10KV的三相交流异步电动机,风门采用进风口挡板调节。这种配置的缺点是挡板两侧风压差造成节流损失,同时风机挡板执行机构为大力矩电机执行器易出故障 ,风机自动率较低。为此我们对引风量的调节、一次风量的调节、二次风量的调节在全国首家大胆采用了10KV高高变频调速技术。以1#炉为例我们分别选择了DFCVERTMV710/10B、DFCVERTMV450/10B、DFCVERTMV355/10B变频器以达到节能降耗及提高自动化水平。目前经过对1#炉变频器的调试运行验证收到了预期效果,安装工艺、操作控制都有了突破性进展。
2、采用变频调速节能的基本原理
一般电气拖动设备设计上考虑有短时过载运行的情况,在电动机的功率配置上往往要大于负载最大功率的10%左右甚至更大一些,电动机选小了大负载运行时电机发热导致绝缘过早老化影响电机使用寿命,电机选大了励磁电流增大,无功损耗大功率因数低而且不经济,另外电动拖动设备不是长期工作在满负荷状态,而是长期工作在经济负荷状态,即额定值得85%左右,这样剩余功率和冗余功率就是一种浪费而采用变频技术正是解决这一问题的最好办法。它可以做到自动负荷匹配,在任何工况下电动机和负荷都可以实现最佳的负荷匹配。
利用变频器作为风量的调节最直接的效益就是节能降耗。采用变频调速的主要特点是消除或减少档板的节流损失,可自动调节转速与负荷匹配从而达到最佳的节能目的。一般情况下生产设备的节能可以通过两种手段实现一是减少运行时间,二是在满足运行工况的前提下削减输入功率,显然第一种方法不适合连续运行的锅炉风机,那么利用变频调速可以削减输入功率正适合不需要恒转矩的风机、水泵类的设备。下面就节能原理作一介绍。
2.1、风机节能的基本原理
风机典型的风量压力特性曲线如图2.1所示。

图2.1风机的风量压力特性
通常调节风量的方法有两种:
(1)、控制输出或输入的风门。
(2)、控制旋转速度。
图2.2(a)为采用第一种方法时的特性 ,管路的节流阻力改变时,可以得到所需的送风特性。图2.2(b)为调速情况下风机的运行特性图中(pu)均采用标么值。

图2.2(a)风门调速时的特性 (b)调速控制时的特性 r: 管路阻抗R+节流阻抗
采用调速方法节能的原理是基于风量、压力、转速、转矩之间的关系这些关系是
Q n
p T n2
P Tn n3
式中Q风量 p压力 n转速 T转矩 P轴功率
风机的风量与转速的1次方成正比,压力与转速的2次方成正比,而轴功率与转速的3次方成正比,即能耗与转速成立方关系如电机在80%额定转速时,其功耗即可降至(0.8)350%
轴功率的实际值(KW)由下式给出

式中 Q风量
p压力(n3/s)
b风扇或风机的效率
c传动装置效率,直接传动时为1
图2.3所示为采用不同的调节方法时电动机输入功率(既风机轴功率)与风量的关系曲线。

图2.3风机各种风量调节时的输入功率比较
1输出端风门控制时的电动机输入功率2输入端风门控制的电动机输入功率3转差功率调速(滑差电动机、液力耦合器)时电动机的输入功率4变频器调速控制时的电动机输入功率5理想输入功率
采用不同的调节方法电动机的输入功率(既电源应提供的功率)也不同图中比较了输出端风门控制、输入端风门控制、电磁转差调速及液力耦合控制、和采用变频调速控制的电动机的输入功率(既电源提供的功率)与风量之间的相互关系。
图2.4表示输入端风门控制、电磁转差或液力耦合调速控制以及变频调速控制方法下将风量调到0.5(Pu)时的节电情况。

图2.4风量为50%时节约的电能
图中划斜线部分的面积表示风量调到0.5(Pu)时的节电量。变频调速的情况下所需电源功率仅为全风量的12.5%当然这是理想情况下得到的结果。
2.2、我厂1#炉三台风机的节能估算
由于在相同条件下风压和流量的大小与电机电流的大小成正比所以这里只用工频运行档板调节时的电机电流和变频调节时变频器的输入电流作一比较从而说明节电效果。
在蒸汽流量为48T/H时各自的电源侧电流见表一

以下公式可估算出节电的结果

图3.1功率单元电路结构
根据表二可得出1#炉每小时可节能421.2度电
以上只是利用电流的变化做一比较,在实际运用中各种运行工况的不同节能效果也不一样。所以实际节能要比估算的结果有一定的出入,但从结果上看节能还是非常显着的。
3、高压变频装置的基本原理
3.1、功率单元的基本结构
DFCVERTMV变频器的功率单元是以交直交的形式组成的,它是先把工频交流电通过整流器变成直流电,然后再把直流电变换成频率、电压均可控制的PWM波交流电。它由三部分组成既整流器、逆变器和中间环节如图3.1所示:

图3.2逆变器原理
3.2、逆变器的基本原理
交直交变频器的交直变换一般采用二极管来实现。而把直流变为所需要频率的交流电时一般采用逆变的方法来实现,所以也叫逆变器。由图3.2简单地说明了逆变器的工做原理

图3.3(a)电压叠加原理图
当两组开关K1、K1和K2、K2轮流切换时,负载R上便得到了交变电压uR。如果这两组开关利用四只电子开关器件来代替并轮流导通与关断就实现了由四只电子开关器件控制的直流交流逆变。
3.3单元串联多电平变频器原理
单元串联多电平PWM电压型变频器采用若干个低压PWM变频功率单元串联的方式实现直接高压输出。该变频器具有对电网谐波污染小,输入功率因数高,输出波形好,不存在由谐波引起的电动机附加发热和转矩脉动、噪声、共模电压等问题,可以使用普通的异步电机。取名为完美无谐波变频器。
单元串联多电平变频器采用若干个独立的低压功率单元串联的方式来实现高压输出其原理如图3.3所示

图3.3(b)主电路系统结构图

供率单元与主控系统之间通过光纤进行通讯,以解决强弱电之间的隔离和干扰问题。功率单元采用模块化结构,所有的功率单元可以互换,维修也比较方便每个单元只有三个输入、两个输出电源连接和一个光钎插头与系统连接,所以功率单元的更换十分方便。1#炉变频器还采用了冗余功率单元设计方案及功率单元自动旁路技术即使在功率单元损坏的前提下还能满载运行。
4、DCS控制系统及工频旁通
变频器的调速控制系统可由远程/本地控制,远程时操作人员通过DCS系统在CRT上的模拟器对DCS的输出值进行调节,此输出值为反馈给变频器的420MA标准信号,对应不同的频率给定值,变频器通过DCS的给定调节电动机的转速实现对风机转速控制从而达到调节风量的目的。
利用变频器调节技术无疑要在原有的回路中加装一套变频调节设备,这将增加一个设备故障点,影响机炉系统的安全运行,
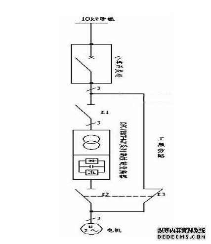
为了充分保证系统的可靠性为变频器加装了工频旁路装置,当变频器故障时变频器停止运行电机可以直接手动切换到工频运行同时不会影响对变频器的检修如图4.1所示。

5、结束语
我厂1#炉变频器自2003年安装调试,2004年3月正式投入运行。在调试及运行中变频器经历了多种方式的考验,突破了变频器与相关设备相匹配的各种难点实践证明高压变频装置节能效果明显,实现了电机的软启动,也减少了风道的震动与磨损。总之DFCVERTMV型变频器在1#炉风机系统中应用是很成功的。随着变频技术的发展作为大容量传动的高压变频调速技术也得到了广泛的应用,在电力行业对于许多高压大功率的辅机设备推广和采用变频技术不仅可以取得相当显着的节能效果,而且也得到了国家产业政策的支持,代表了今后更多行业节能技术的方向。目前很多行业越来越多的人员对此都形成广泛的共识。
