详解二次回路的基本控制原理_5
想要电动机启动,可不是合上闸这么简单。想要实现远程控制和多点控制,需要做的还有很多。本文列举几个最基本的电动机控制回路,除了在生产中的机械控制需要用到外,在设计PLC电路时,这些也是必备单元。
本文将由易到难逐一讲解。
电动机控制回路常用元件
按钮▼

按钮分为启动按钮、停止按钮和机械互锁按钮。前两者共4个接线柱,后者有6个接线柱。
启动按钮多为绿色,平时内部为断开状态,按下按钮后内部闭合,松开后恢复断开;
停止按钮多为红色,平时内部为闭合状态,按下按钮后内部断开,松开后恢复闭合;
机械互锁按钮可以看作是一个双投开关,共6个接线柱,平时左侧接线柱接通,按下后右侧接线柱接通,松开后恢复左侧接线柱接通,可任意作为启动按钮或停止按钮。
按钮一般用SB表示,如果有多个按钮同时存在,会在SB后面加数字,如SB1,SB2。
接触器/继电器▼

上图是接触器,继电器与之相比较小,但原理相同。共有两排共12个接线柱(2个接线柱,一进一出算1组)。最上面一排接线柱中,有2组常闭触点,和1组线圈触点,下面一排有3组常开触点。
工作特点:线圈不通电时,常闭触点闭合,常开触点断开;线圈通电后,常闭触点断开,常开触点闭合。
接触器,不论哪个触点或者线圈,均用KM表示。如果有多个接触器,则会在KM后加数字,如KM1,KM2。同一个接触器的所有触点和线圈,均用一组标号,如接触器KM1的常开触点、常闭触点和线圈,在电路图中的标志均为KM1。
点动与连动
点动:即按下按钮时电动机启动,松开后电动机停止。
连动:即按下按钮时电动机启动,松开后电动机继续运转。
电路▼

上图中,左侧为主回路,右侧的a,b,c三个图分别为三个不同的控制回路。
在图a中,按下按钮SB,电动机启动,松开后电动机停止。是典型的点动控制。
在图b中,断路器SA断开时,按下按钮SB2,接触器线圈KM通电,常开触点KM闭合,但是常开触点KM下方有断路器将它断开,因此虽然此时电动机启动,但是松开后还是会停止。闭合断路器SA后,按下按钮SB2,接触器线圈KM通电,此时常开触点KM闭合,因此松开SB2后,电动机依然可以正常运转。此时电动机连动。因此,此图可以人工控制点动或连动状态。
在图c中,没有断路器,取而代之的是一个机械互锁开关SB3。当按下按钮SB2时,接触器线圈通电,常开触点KM闭合,电动机启动,松开后,由于常开触点依然闭合,因此电动机正常运转。按下按钮SB3时,接触器常开触点下方的按钮常闭触点SB3断开,同时按钮SB3常开触点闭合,电动机启动,松开后电动机停止(接触器常开触点此时未接入电路)。因此,此电路可在电动机连动的时候,直接按下SB3,变成点动。
电动机连动时,松开启动按钮后,由于接触器线圈通电,常开触点KM闭合,电动机可以实现连续运转,这个概念就叫做自锁。
电动机点动与连动只是一种概念,没有人希望自己的电动机点动。此处我们只需要知道如何让电动机连续运转即可。
电动机的异地控制
本篇以两地控制电动机为例。多地控制电动机,一般分为远程控制和就地控制。即把启动按钮分别放入不同的按钮箱,再把按钮箱安装在需要控制的地点。
电路▼

有了点动和连动的知识,这个图中接触器KM的作用就不必多说了。图中SB11和SB21为停止按钮,SB12和SB22为启动按钮。其中把任意一个启动按钮和停止按钮安装在同一个按钮箱内,另外两个也安装在另外一个按钮箱内。两个按钮箱可分别放在控制室和电动机旁。
实物连接图▼

异地控制电动机时,只需要注意,停止按钮全部串联,启动按钮全部并联即可。
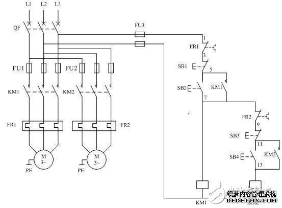
电动机顺序启动
以两台电动机M1,M2顺序启动为例。要求M2在M1启动后才能启动,M1可以单独启动。
电路▼

其中,按钮SB1和SB3是停止按钮,分别控制电动机M1与M2;按钮SB2和SB4是启动按钮,分别控制电动机M1与M2。为了方便理解,我把电路图中M2的控制回路突出来一块,即当下文提到M2的控制回路时,指的就是上图中最右侧突出来的那一块。
同样的,接触器的作用不再赘述。如图,当M1未运转时,即常开触点KM1没有闭合,此时M2的控制回路被断开,因此按下启动按钮SB4时,M2没反应。只有当M1正常运转时,KM1闭合,M2的控制回路才有电,这时M2才能正常启动。
实物连接图▼

若需要多个电动机同时启动,分两种情况:
若需要其它电机在M1启动后才能启动,则把该电机的控制回路与M2的控制回路并联。
若需要其它电机在M2启动后才能启动,则把该电机的控制回路与M2的控制回路串联。
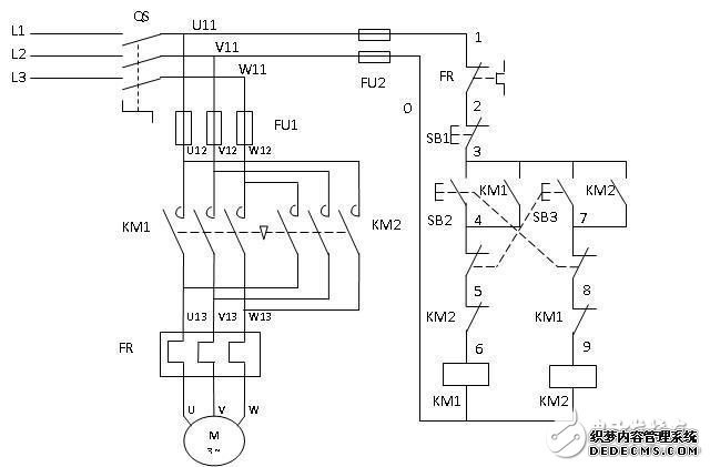
电动机正反转
要实现电动机的正反转,用到的原理是使用两个接触器,把三相电的相序改变。
电路▼

注意看左侧的主回路,三项电L1,L2,L3通过接触器KM1到达电动机M1的顺序为左、中、右;而通过接触器KM2到达电动机M1的顺序为右、中、左。相序的改变实现了电机运转方向的改变。这一用法用在电动汽车或电动三轮车上,即可实现倒车的功能。现在有一种更方便的元件,叫做倒顺开关,其原理便是如此。
为了方便描述,假设在SB2回路闭合时电动机转动的方向为正,下文称SB2所在回路为正转回路,SB3所在回路为反转回路。
我们来看控制回路,为了方便讲解,我们在图中做了数字的编号,每一个编号,都对应其正上方的元件。同样的,对于接触器常开线圈KM1和KM2的作用不再重复。
这张图如果没有编号6和编号9那两个接触器常闭触点,和编号5和编号8那两个机械互锁按钮的常闭触点,就很好理解。即按下SB2,电动机正转,按下SB3,电动机反转。
这里出现了一个问题,就是如果同时按下SB2和SB3或在电动机正转的时候按下SB3,就会造成短路事故。因此我们在电路中接入了接触器常闭触点。在正转的控制回路中接入KM2的常闭触点,而在反转的控制回路中接入KM1的常闭触点。这样以来,当电动机正转时,由于接触器KM1的线圈通电,因此常闭触点KM1是断开状态,因此就算此时按下按钮SB3,也不会有任何反应。
两个接触器的常闭触点分别连接到对方所在回路中,如此一来,其中一个接触器通电时,另一个接触器就不能再通电,这就是互锁。
此时我们还面临一个麻烦事,就是电动机正转时,如果想让它反转,唯一的办法就是按下停止按钮,再按反转按钮,这样就很麻烦。为了方便,我们采用了机械互锁的按钮,并把它的常闭触点接入旁边的控制回路中就是图中的编号5和编号8。
此时,当电动机正转时,我们按下SB3,此时编号5的常闭触点断开,即正转回路失电,因此线圈KM1失电,常闭触点KM1恢复闭合状态,线圈KM2即可得电,反转回路正常运行。这样以来,在电动机正转切换反转时,就不用再按停止按钮了。
实物连接图▼

实际应用中,常常需要把上述所有电路结合起来使用,但只要单个图的原理想明白了,涉及到的知识再多,也不在话下。
