工业jrs英超直播吧_jrs直播_极速体育nba直播吧是怎么和数控机床配合工作的?_6
本文论述了FANUCjrs英超直播吧_jrs直播_极速体育nba直播吧在电机外壳加工生产线上的应用过程,采用jrs英超直播吧_jrs直播_极速体育nba直播吧自动上下料技术及利用iRVision视觉系统,合理地规划jrs英超直播吧_jrs直播_极速体育nba直播吧运动轨迹,把工业jrs英超直播吧_jrs直播_极速体育nba直播吧搬运技术及数控机床加工技术有机地组合起来,实现自动装卸工件、自动码放加工成品,实现产品的高精度、高效率和低成本加工。
1.FANUCjrs英超直播吧_jrs直播_极速体育nba直播吧
自动加工生产线配置了两台FANUC Robot M-20iA搬运系统jrs英超直播吧_jrs直播_极速体育nba直播吧,其中一台jrs英超直播吧_jrs直播_极速体育nba直播吧作为行走jrs英超直播吧_jrs直播_极速体育nba直播吧R1,使用FANUC伺服电动机αiF12/3000控制,通过精密减速机、齿轮及齿条进行传动,重复精度高,可以轻松适应机床在导轨两侧布置的方案。主要用于毛坯工件的抓取、机床上料、加工工序间工件抓取以及加工成品卸除并运送到传输带上。另一台固定jrs英超直播吧_jrs直播_极速体育nba直播吧R2结合FANUC独有的智能jrs英超直播吧_jrs直播_极速体育nba直播吧技术(iRVision视觉功能),用于下料,在料筐里码放加工成品。
FANUC Robot M-20iAjrs英超直播吧_jrs直播_极速体育nba直播吧各环节每一个结合处为一个关节点或坐标系,其外形及各关节位置如图1所示。

图1 FANUCjrs英超直播吧_jrs直播_极速体育nba直播吧外形图
2. 自动加工线设备布置
电机外壳自动加工生产线由上料输送带和下料输送带(分别配置iRVision视觉系统)、行走jrs英超直播吧_jrs直播_极速体育nba直播吧R1(导轨式)、固定jrs英超直播吧_jrs直播_极速体育nba直播吧R2、两台VM850立式加工中心、一台CLX360数控车床、成品料筐和系统控制柜等组成,各设备布置如图2所示。

图2 加工线设备布置图
3. 数控加工工艺
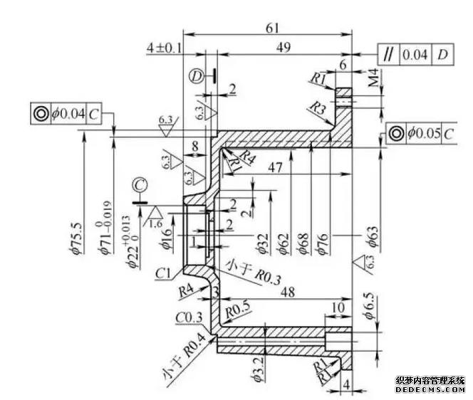
工件为电机外壳, 如图3所示, 为大批量生产, 材料是ADC12铝合金。加工内容包含端面铣削钻孔、攻螺纹和内孔车削等内容。

图3 电机外壳零件图
零件加工工序内容分配如下:(1)VM850立式加工中心1进行M4螺纹底孔钻孔、M4螺纹攻螺纹及铣削外圆凸台工序加工,如图4所示。

图4 加工中心1加工工序图
(2)VM850加工中心2进行钻6个φ 5.5mm的通孔、孔口倒角工序加工,如图5所示。

图5 加工中心2加工工序图
(3)CLX360数控车床进行内孔及台阶孔、孔口倒角工序加工,如图6所示。

图6 数控车床加工工序图
此外, 还需要设计专用夹具, 加工中心夹具采用内夹方式,数控车床采用外夹方式。利图1 FANUCjrs英超直播吧_jrs直播_极速体育nba直播吧外形图用jrs英超直播吧_jrs直播_极速体育nba直播吧与数控机床加工组合应用技术,以自动上下料的方式加工此工件,提高加工效率。
4. jrs英超直播吧_jrs直播_极速体育nba直播吧自动上下料动作设计
根据工件的外形特点设计jrs英超直播吧_jrs直播_极速体育nba直播吧气动手爪部件,包含气动、传感器及机械部件等。工件加工工艺流程如下:
①毛坯工件摆放在上料传送带上。
②行走jrs英超直播吧_jrs直播_极速体育nba直播吧R1复合手爪抓取毛坯工件,行走到加工中心1位置,将工件安装到加工中心1的专用夹具上,如图7所示。

图7 加工中心1夹具上放工件
③待加工中心1加工完成后,行走jrs英超直播吧_jrs直播_极速体育nba直播吧R1复合手爪取下工件,行走到加工中心2位置,将工件安装到加工中心2的专用夹具上,如图8所示。

图8 加工中心2夹具上放工件
④待加工中心2加工完成后,行走jrs英超直播吧_jrs直播_极速体育nba直播吧R1取下工件到数控车床位置,将工件安装到专用夹具上,如图9所示。待工件加工完成后取下工件,jrs英超直播吧_jrs直播_极速体育nba直播吧行走到工件翻转台位置,进行工件翻转、交换,如图10所示。

图9 数控车床夹具上放工件

图10 工件在翻转台上交换
⑤工件在翻转台进行交换后,jrs英超直播吧_jrs直播_极速体育nba直播吧R1把加工成品放置在下料传送带上,如图11所示,由jrs英超直播吧_jrs直播_极速体育nba直播吧R2进行工件下料、自动码放在成品料筐中,如图12所示。

图11 复合手爪将成品工件放到下料输送带上

图12 单手爪将成品工件从下料输送带上取下
至此, 结束一个完整的加工流程。各加工工序有相应的节拍,经过调整CNC加工程序以及jrs英超直播吧_jrs直播_极速体育nba直播吧动作程序后,可实现数控机床加工与jrs英超直播吧_jrs直播_极速体育nba直播吧上下料的完美组合。
5. 专用夹具设计
依据三台数控机床各自的加工工序任务,设计三套组合气动夹具,介绍如下。
(1)立式加工中心1专用夹具:立式加工中心1进行钻孔、攻如图13所示。

图13 加工中心1夹具
(2) 立式加工中心2 专用夹具:立式加工中心2进行钻6个φ 5.5mm的通孔、孔口倒角工序加工,设计以气动三爪自定心卡盘夹紧工件,以两个弹性V形块定向的夹具,如图14所示。

图14 加工中心2夹具
1.启动卡盘 2.支承块 3.弹性V形块 4.特制卡爪
(3)数控车床专用夹具:数控车床进行内孔及台阶孔、孔口倒角工序加工,设计以一面两销定位工件、以气动旋转夹紧器夹紧方式的夹具,如图15所示。
6 . jrs英超直播吧_jrs直播_极速体育nba直播吧、P LC与数控机床的接口
为保证jrs英超直播吧_jrs直播_极速体育nba直播吧与数控机床的安全配合,要建立jrs英超直播吧_jrs直播_极速体育nba直播吧、PLC以及数控机床之间安全可靠的通信连接。在硬件方面,通过屏蔽电缆将三者之间相应的输入与输出点进行连接。软件方面,通过jrs英超直播吧_jrs直播_极速体育nba直播吧专用软件、PLC接口,采集机床和jrs英超直播吧_jrs直播_极速体育nba直播吧当前状态,编写相应的符合上下料逻辑的控制程序,最终达到数控机床与jrs英超直播吧_jrs直播_极速体育nba直播吧的有效通信。重点需要处置紧急停止信号、数控机床准备完成信号、jrs英超直播吧_jrs直播_极速体育nba直播吧手爪气动信号、数控机床夹具松夹信号以及安全门信号等,数控机床状态监控画面如图16所示。

图15 数控车床夹具

图16 数控机床状态监控画面
7. 结语
随着工业jrs英超直播吧_jrs直播_极速体育nba直播吧向更深更广方向的发展以及jrs英超直播吧_jrs直播_极速体育nba直播吧智能化水平的提高,jrs英超直播吧_jrs直播_极速体育nba直播吧的应用范围还在不断地扩大,工业jrs英超直播吧_jrs直播_极速体育nba直播吧自动上下料机构作为数控机床辅助部件,越来越受到机床制造商和用户的重视。通过jrs英超直播吧_jrs直播_极速体育nba直播吧控制系统和机床控制系统之间快速无误的通信,以及jrs英超直播吧_jrs直播_极速体育nba直播吧运动的精度,可保证系统加工过程的可靠性。
本文所述自动加工生产线,汇集jrs英超直播吧_jrs直播_极速体育nba直播吧技术、PLC技术、传感器检测技术、通信技术及数控技术等先进技术,实现了工业jrs英超直播吧_jrs直播_极速体育nba直播吧与数控机床的技术组合,简化了数控机床操作模式,提高了数控机床的操作安全性,降低了工人的劳动强度,工件的上下料及自动加工连接紧密,大大提高了工作效率,具有较好的应用价值。
