轨道交通闭路电视监控系统视频数字化解决方案_0
1 引言
闭路电视(cctv)监控系统主要通过视频图像的显示和控制来实现对相关区域的生产、生活、关键部位的管理,是安全防范系统和生产管理系统的重要组成部分。由于闭路电视监控系统可以实现相关区域重要设备及现场的监视,便于控制中心值班人员及时发现问题,目前已在银行、机场、小区、楼宇、学校、医院、地铁、高速公路、企业生产等诸多场所得以广泛应用。通过闭路电视监控系统,不仅可以对相关区域实现实时监视,掌握人员、物资、车辆的流动情况;而且可以及时排除设备故障,保证生产的正常进行,实现生产现场的无人值守;同时,还可以掌握重点监控区域的人员流动大小、流向,作为公安监管部门事前预防、事中发现、事后处置的重要手段。
2 系统组成
闭路电视监控系统一般由前端设备、传输系统、显示设备、控制设备、存储设备等组成。根据系统的组成不同,闭路电视监控系统通常分为数字控制的模拟视频监控系统和数字视频监控系统两大类。
2.1 模拟闭路电视
模拟闭路电视监控系统的前端设备为各种摄像机,传输系统为视(音)频线、控制线、电源线、光端机等,显示、控制、存储设备多为监视器、视频矩阵、控制键盘、硬盘录像机等,此外,根据系统的实际需要,模拟的闭路电视监控系统可能还包括视频补偿均衡器、字符时钟发生器、视频分配器、画面合成器、视频分析仪等设备。图1为一高速公路的闭路电视监控工程系统构成图,由图可知,系统主要由室内、室外固定摄像机、带云台彩色摄像机、光端机(光发、光收),视频分配器、硬盘录像机、录像回放计算机、控制矩阵、彩色监视器、控制键盘、图像处理器以及视频分析系统、大屏显示/控制系统等组成。摄像机对高速公路不同监控点图像进行采集后,通过光纤传输的方式,将各监控点的图像实时传送到监控中心辖区、交警中心。监控中心辖区配置视频分配器、硬盘录像机和矩阵切换主机,硬盘录像机主要实现不同监控点图像的存贮和回放;矩阵切换主机是控制的核心,通过矩阵主机可以分别在监控中心电视墙的不同监视器、交警中心的监视器上切换任意一幅图像,并可实现对带云台摄像机的控制、变焦等操作。同时,设置在监控中心的四画面图像处理器可以将高速公路不同监控点图像进行四画面合成,然后通过大屏控制系统将不同监控点的单幅画面、经合成后的四画面灵活的切换到显示大屏上。此外,设置在监控中心的视频分析仪可以对高速公路不同监控点的图像质量、微分增益、微分相位、随机信噪比等性能指标进行分析,以便通过各种手段更好的提高系统综合性能、改善图像显示效果。

图1 某高速公路闭路电视监控系统示意图
2.2 数字闭路电视
近几年来,随着计算机技术、视频压缩编码技术、网络以及图像处理技术、传输技术的快速发展,视频监控制技术得到迅猛的发展。同时,传统的闭路电视监控系统在实际工程设计应用中也逐渐暴露出监控区域小、传输距离短、系统扩展能力差、报警联动受限等缺点。
与模拟闭路电视监控系统相比,数字化的闭路电视监控系统的前端设备是网络摄像机或者是传统摄像机(经编码器编码后将模拟的视频信号转换成数字视频信号);传输系统通常为光端机、编码器(根据视频压缩算法不同,主要有:m-jpeg、h.261、h.263、h.264、mpeg-1、mpeg-2、mpeg-4等类型)、数字视频转码器(用于实现不同数字码流的格式转换)等;而数字化的闭路电视监控系统的显示通常为解码器+监视器的硬解方式和基于pc的视频浏览台的软解方式;控制设备为视频控制器、网络键盘等,存储设备为网络数字硬盘录像机。由于采用了数字化的视频流,数字视频的控制信号和视频信息都可以通过网络在网络环境中传输,因此,数字化的监控系统在数据传输、图像存储、视频检索、设备互联、系统集成等方面存在较大的优势,具体体现在:
(1) 在图像的传输方面:模拟视频信号的传输介质主要是同轴电缆,由于同轴电缆在传输模拟视频信号的距离限制,决定了模拟监控只适合于单个大楼、小的居民区以及其它小范围的场所;而采用计算机网络技术的数字化闭路电视监控系统,通过和基于ip的网络相结合,可使得数字视频远程网络监控不受距离限制(可以说,只要网络可以抵达的地方,就是视频监控能够到达的地方)。
(2) 在图像的记录方面:由于数字化视频技术采用大容量磁盘阵列存盘器或光盘存储器作为存储介质,与模拟视频磁带录像机相比,其在视频记录清晰度、信息查询、介质磨损、存储容量等方面具有明显的优势。
(3) 在设备的互联、扩展与系统集成方面:在模拟监控系统中,由于各部分独立运作,相互之间的控制协议由于设备制造厂家的不同,设备之间的互联很难互通,联动只能在有限的范围内进行,而系统的扩展与集成往往牵一发而动全身。而采用tcp/ip网络传输的数字视频信号系统,只需要在网络上增加相应的前端设备和客户端软硬件即可实现设备之间的互联、系统的扩展及集成,具有模拟监控系统不可比拟的优势。
此外,数字化的监控系统由于采用windows2000、unix、linux等通用操作系统,在操作界面简单性、友好性方面、维护升级的简捷性方面以及系统的安全性方面都有明显的优点,并且数字化监控系统不断发展可为智能cctv系统的应用创造条件。
3 轨道交通数字视频监控系统
在轨道交通领域,闭路电视监控系统能为轨道交通运营管理者提供一个直观、实时、真实的现场图像画面,是地铁运营管理的一种极为有效的安全防范工具。作为调度员和车站值班员监视列车运行、掌握客流大小和流向的重要工具,轨道交通闭路电视监控系统对有效组织、指挥列车运营,提高轨道交通运营能力,保障运营安全和加强车站管理具有重要作用。
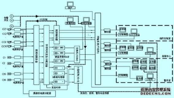
图2为某轨道交通正线车站cctv系统的网络构建方案示意图。该车站监控采用基于ip的数字视频监控系统,由视频编码器、视频解码器,本地视频控制器、录像回放/维护计算机、数字硬盘录像机和其他模拟产品如键盘、监视器、九画面处理器、固定摄像机、一体化球机等组成。车站内的mpeg-2视频编码器通过同轴电缆与每个经均衡及字符时间叠加后的摄像机视频输入一一对接,而编码器的串口输出端则与一体化球机的控制端口相连以完成对球机的ptz控制。另外,各车站摄像机视频经配置的九画面处理器处理并经视频分配器分配后,也送视频编码器。每个编码器通过其自身独立的10/100m以太网口与车站千兆交换机连接。录像回放计算机设置于车站警务室,并安装有硬盘录像管理软件,通过和车站百兆以太网交换机的通讯实现对站内录像进行查询和回放的功能。网络控制键盘通过车站千兆交换机与视频控制器进行通讯,视频控制器授权键盘用户,而键盘发出的控制指令经过视频控制器进行决策转发。车站mpeg-2视频解码器分别连接消控室、psc及警务室的lcd监视器,车站有关人员根据其权限可通过网络控制键盘进行切换显示所需要的单画面、四画面、九画面图像并完成对摄像机的ptz控制。

图2 车站cctv系统构建方案示意图
此外,为了减少了网络负担、加强车站系统的故障防范机制,根据实际需要,车站部分监视器与小型矩阵的输出端进行连接,以组成一个相对独立的车站模拟系统,车站值班员同样可使用同一个网络控制键盘对矩阵和九画面处理器进行操作完成对图像的切换和控制。
为了能够可靠有效的监控列车内部情况,在车辆的每节车厢内安装有两台固定式摄像机,车头车尾各安装一台固定摄像机,每台摄像机对应一台h.264视频编码器,摄像机视频信息经过车载编码器h.264编码压缩后,经车载以太网和车地无线通讯系统传至控制中心occ和备用控制中心socc(车载的h.264码流在中心进行mpeg-2转码处理)。
控制中心occ和备用控制中心socc是基于ip传输的数字视频监控系统的核心,由视频解码器、视频服务器、录像回放/维护工作站、控制键盘、视频监视器及大屏显示/控制系统等组成。occ/socc的网络结构图如图3所示。

图3 occ/socc cctv系统构建方案示意图
在occ配置了多套高密度插卡式mpeg-2视频解码器,每个解码卡通过其10/100m自适应以太网端口与千兆骨干网进行连接,其中九路经解码后的视频先经视频分配器后分别送九台监视器和大屏系统,可以使用键盘同时在调度台监视器与大屏上(被动显示)选择和控制所需要的图像(包括不同的车站前端摄像机单画面、四画面和九画面图像)。
控制键盘的ptz命令由occ/socc视频服务器根据用户与被控摄像机的权限关系发向车站的视频控制器,车站的视频控制器根据该摄像机ptz的占用情况进行优先级判断,当指定的摄像机没有被其他用户控制时,则车站视频服务器将ptz控制指令发送给车站编码器执行。
录像回放/维护工作站和occ/socc网络连接,安装于工作站内部的录像管理软件可通过传输系统网络以软解的方式调用位于各个车站录像机中的录像,实现对录像进行搜索、回放、本地抓拍及刻录功能。
4 结束语
当前,闭路电视监控系统在国内外已基本形成了根据实际需要的模拟闭路电视监控系统、模/数混合闭路电视监控系统、全数字化的视频监控系统共存、共荣的局面。
数字化视频监控系统融合了信息技术、网络技术的发展,是相关领域先进技术、先进方法在视频监控领域的新应用。虽然视频数字化在实际应用中也存在一定的瑕疵,但随着数字化闭路电视监控系统在图像质量、可靠性、图像延迟等方面的不断完善,视频监控系统必将在前端一体化、视频数字化、监控网络化、系统集成化获得更快、更好的发展。
